Halsall Associates Windsor
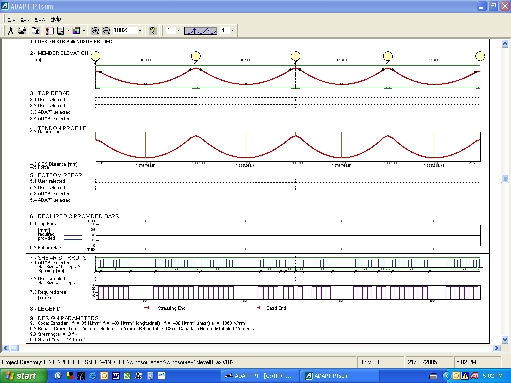
Windsor Ontario da bulunan Windsor Hotel kompleksinin ek binaları ve park yapılarının statik-betonarme projeleri hazırlanmıştır. Otopark yapılarında döşeme plakları ve kirişler için ard germe hesapları yapılmıştır.
Yeri
İstanbul, Türkiye
Yıl
2016
Anahtar Sorumluluklar
- Otel Kompleksinde yer alan çeşitli yapılar için mühendislik hesaplarının yapılması.
- Kanada ve Amerikan standartlarına göre hesap yapan bilgisayar programlarının geliştirilmesi.












